
苏州协昌环保科技股份有限公司
16 年
金牌会员
金牌会员
已认证
拨打电话
获取底价
提交后,商家将派代表为您专人服务

苏州协昌环保科技股份有限公司
金牌会员
已认证

一、产品简介
智能电磁脉冲阀(以下简称“智能阀”)是将电子信息技术、传感器、物联网等与传统电磁脉冲阀进行有机融合后研制的一款智能终端产品。相比于传统阀,智能阀可将实时工作状态、膜片的工作过程通过内置的特殊工艺研制并封装的传感器模组进行电子化转换后,以计算机系统可测量的电子信号的形式输出给上位机。由于内置传感器可监测膜片的实际真实的动作过程,传感器的输出信号可真实的反映智能阀的动作特性、工作质量,甚至可反映智能阀本体的关键零部件(如弹簧、大/小膜片)是否受损,也可反映是否有异物进入阀体关键部位。


二、技术参数
| 技术类别 | 相关参数 |
| 输入电压 | AC 220V/DC24V |
| 输出电压 | DC 5V~36V |
| 信号类型 | 4~20mA、矩形波脉冲、差分信号 |
| 额定功率 | 线圈功率30W,传感器功率<5W |
| 信号精度 | 1mm |
| 工作环境 | 环境温度为-25℃~85℃ 环境相对湿度不大于85% 无严重的腐蚀性气体和导电尘埃 |
| 工作条件 | 控制信号脉冲宽度不小于50ms 气源压力为2MPa~0.6MPa |
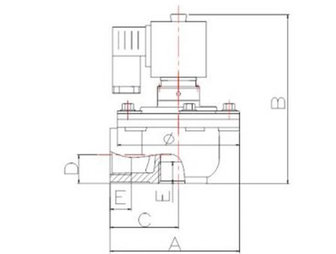
三、安装尺寸
ZNF-Z系列智能电磁脉冲阀安装参考尺寸表

| 序号 | 型号 | φ | A | B | C | D | E |
| 1 | ZNF-Z-50S | 160 | 180 | 206 | 100 | 43 | 36 |
| 2 | ZNF-Z-62S | 188 | 204 | 226 | 110 | 49 | 37 |
| 3 | ZNF-Z-76S | 200 | 220 | 250 | 120 | 59 | 38 |
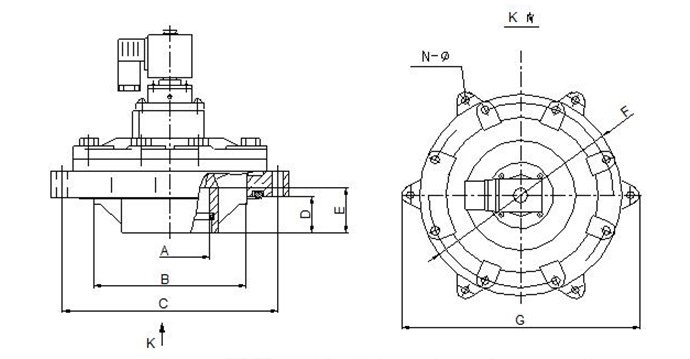
ZNF-Y系列智能电磁脉冲阀安装参考尺寸表

| 序号 | 电磁脉冲阀 | 与分气箱和喷吹管安装参考尺寸 | |||||||
| φA | B | φC | D | E | F | G | N--φ | ||
| 1 | ZNF-Y-50S | 60.5 | 122 | 180 | 30 | 39 | ¢160 | 202 | 6-φ11 |
| 2 | ZNF-Y-62S | 75.5 | 148 | 208 | 35 | 44 | ¢188 | 230 | 6-φ11 |
| 3 | ZNF-Y-76S | 89.5 | 160 | 227 | 35 | 43 | ¢200 | 249 | 6-φ11 |
| 4 | ZNF-Y-102S.B | 103 | 170 | 227 | 35 | 40 | ¢219 | 249 | 6-φ11 |
| 5 | ZNF-Y-102S | 114 | 177 | 227 | 35 | 43 | ¢219 | 249 | 6-φ11 |
| 6 | ZNF-Y-115S | 126.5 | 198 | 239 | 35 | 43 | ¢239 | 261 | 6-φ11 |
协昌智能电磁脉冲阀ZNF系列的工作原理介绍?
协昌智能电磁脉冲阀ZNF系列的使用方法?
协昌智能电磁脉冲阀ZNF系列多少钱一台?
协昌智能电磁脉冲阀ZNF系列使用的注意事项
协昌智能电磁脉冲阀ZNF系列的说明书有吗?
协昌智能电磁脉冲阀ZNF系列的操作规程有吗?
协昌智能电磁脉冲阀ZNF系列的报价含票含运费吗?
协昌智能电磁脉冲阀ZNF系列有现货吗?
协昌智能电磁脉冲阀ZNF系列包安装吗?相关产品
更多
企业名称
苏州协昌环保科技股份有限公司企业类型
股份有限公司(台港澳与境内合资、未上市)信用代码
913200007715160481法人代表
刘伟东注册地址
苏州工业园区唯亭夷陵山街35号成立日期
2005-03-15注册资本
3756.0974万人民币有效期限
2005-03-15 至 2035-03-14
经营范围
研发、加工、生产各类袋式除尘器、垃圾焚烧处理设备和袋式除尘器用电磁脉冲阀、电控系统、自动控制系统、框架、滤料、滤袋及配件、铝铜压铸件、橡胶压制件,第1类压力容器;第2类低、中压力容器;大气污染治理技术服务;自有房屋租赁;销售本公司所生产的产品并提供相关技术支持、技术咨询以及售后服务。(依法须经批准的项目,经相关部门批准后方可开展经营活动)许可项目:发电业务、输电业务、供(配)电业务(依法须经批准的项目,经相关部门批准后方可开展经营活动,具体经营项目以审批结果为准)
虚拟号将在 秒后失效
使用微信扫码拨号
